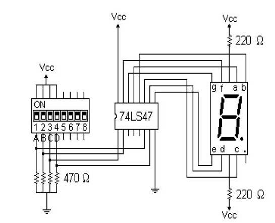
Integrado 74LS47

Este Circuito Integrado es el más utilizado para convertir las entradas del Código Binario Decimal (8-4-2-1) a Dígitos de 0 al 9.

Con el Display de 7 Segmentos se demuestra los dígitos de 0 al 9 según la combinación de sus entradas.

Se sabe que trabaja con 4 entradas y que tienen los siguientes valores (8-4-2-1). Por ejemplo: Si están activados las entradas 2 y 3 (se cuenta de derecha a izquierda), en el display se verá el dígito 6 (seis), ya que se suman los valores de las entradas que en este caso sería (2=2; 3=4) 2+4=6.

A continuación se les muestra una imagen donde se utiliza el Circuito Integrado 74LS47.

Recomendamos los siguientes links:

  1. Estructura del Integrado 74LS47
(1 visitas en total, y 1 visitashoy)

Deja una respuesta

Tu dirección de correo electrónico no será publicada. Los campos obligatorios están marcados con *

Este sitio usa Akismet para reducir el spam. Aprende cómo se procesan los datos de tus comentarios.